一、简介:
F743X液动扇形盲板阀是一款由杠杆、液压油缸等零件组成的零件。液动扇形盲板阀,主要由左阀体、右阀体、丝杆、闸板、密封圈、组成,并由底座、支撑柱构成一个刚性结构体。阀门中设有夹紧、松开汽缸和翻板汽缸,夹紧、松开汽缸通过杠杆和丝杆螺旋驱动左、右阀体完成松开、夹紧动作,翻板汽缸驱动闸板完成开关动作。橡胶密封圈镶钳在闸板上,具有耐高温、密封性能好、更换方便、使用寿命长等特点。液动盲板阀可以单台远距离控制,亦可多台联网远距离控制,非正常情况下还可以利用阀门本身装置手动操作。
二、结构特点:
1、采用扇形结构,阀门启闭作<90°的回转,启闭迅速自操作灵活方便。
2、丝杆增力夹紧结构,自锁性好,密封副不会动松开造成介质外漏。
3、增加了水冷机构的阀门,最高耐温≤450℃,尤其适用干法除尘及冷却系统。
4、配有多种驱动方式可供选择,气动、液动、电动可实现计算机程序控制。
5、泄漏率:符合GB/T13927。
三、性能参数:
|
公称压力MPa |
0.25 |
0.15 |
0.10 |
0.05 |
|
密封试验压力MPa |
0.275 |
0.165 |
0.11 |
0.055 |
|
强度试验压力MPa |
0.40 |
0.225 |
0.15 |
0.075 |
|
驱动源 |
压缩空气0.4-0.6MPa 油压压力6.3MPa 3相380V50HZ |
|||
|
适用温度℃ |
丁腈橡胶 |
硅橡胶 |
氟橡胶 |
|
|
-20-100 |
-20-200 |
-20-300 |
||
|
适用介质 |
煤气等有毒、有害、易燃气体 |
|||
|
启闭时间S |
≤60 |
|||
|
主要零部件材料 |
阀体、闸板为碳钢;丝杆为合金钢;螺母为锰铜合金、球墨铸铁;伸缩器为不锈钢 |
|||
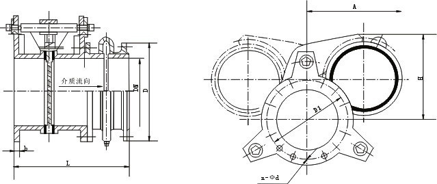
四、结构图:
五、外形尺寸:
|
DN |
D |
D1 |
b |
n-φd |
L |
|
300 |
440 |
395 |
22 |
12-φ22 |
450 |
|
350 |
490 |
445 |
22 |
12-φ22 |
450 |
|
400 |
540 |
495 |
22 |
16-φ22 |
450 |
|
450 |
595 |
550 |
24 |
16-φ22 |
500 |
|
500 |
645 |
600 |
24 |
16-φ22 |
500 |
|
600 |
755 |
705 |
24 |
20-φ26 |
600 |
|
700 |
860 |
810 |
26 |
24-φ26 |
600 |
|
800 |
975 |
920 |
26 |
24-φ30 |
800 |
|
900 |
1075 |
1020 |
28 |
24-φ30 |
800 |
|
1000 |
1175 |
1120 |
30 |
28-φ30 |
800 |
百佳自控订货须知:
1、客户询价时需告知所需的阀门名称、型号、规格、材质、数量。
2、如客户对产品有特殊要求,须在订货合同中提供以下说明:
A. 结构长度;
B. 连接形式;
C. 公称直径、全通径、缩径、管道尺寸;
D. 运用介质及温度、压力范围;
E. 试验、检验标准及其他要求。
3、本厂可根据客户特定要求配置各类驱动装置(气动、电动、液压等)。
4、如由客户提供确定的阀门类型和型号时,客户应正确说明其型号的含义和要求,在供需双方理解一致的条件下签订合同。
验货(卸货)须知:
1.仔细对照随货交付的货物清单及包装箱有没有损坏。
2.选用合适的方法与工具、防止产品变形、损坏;本公司十分注重服务问题、为了达到用户满意的产品标准我们必须同客户肩并肩地分享经验、信息、目标以合作关系开发优先产品。


在线客服